


说明: 1.PWM(周期)方式输出:指在固定时间内改变通断比例数,改变负载功率大小的控制方式。 2.PWM输入:以仪表PWM输出周期作为控制板上的PWM输入采样周期。注:应与仪表一致。
3.周波过零方式输出:周波过零的负载电流以全正弦波为单位均匀分布,多台运行避免了电流的集中,改善炉温均匀性。不仅避免打表针,重要的是:提高了电源利用率和避免电力设备增容,节电效益十分明显。
4.两控三不仅可降低成本,而且减少了能源损耗,是现今世界上通行的一种纯阻电控方式。
5.最大功率限制:调功方式的功率限制不能限制负载电流,只能限制输出的平均功率。
6.过流保护:保护点是1.25倍的负载额定电流值。注:过流保护不能代替快熔。快熔按1.5倍负载额定值选用。
7.加热器断线报警:当输入信号>85%,负载电流小于7%的额定电流时,报警。初步判断加热体或模块的断路。
8.环路故障报警:当无输入信号,负载上电流大于30%的额定电流时,报警。一般是模块击穿短路。 二.订货需声明的内容: 1.负载类型 2.负载电源电压 3.负载最大工作电流/相 4.散热条件 5. 特殊要求
控制板型号 三相两控- 散热单元- 模块H3400ZG- 带过流保护- 带状态发送- 说明:大功率H3400Z和H3500Z的模块需注明进口或国产。国产的在模块一项中尾缀加G标识。
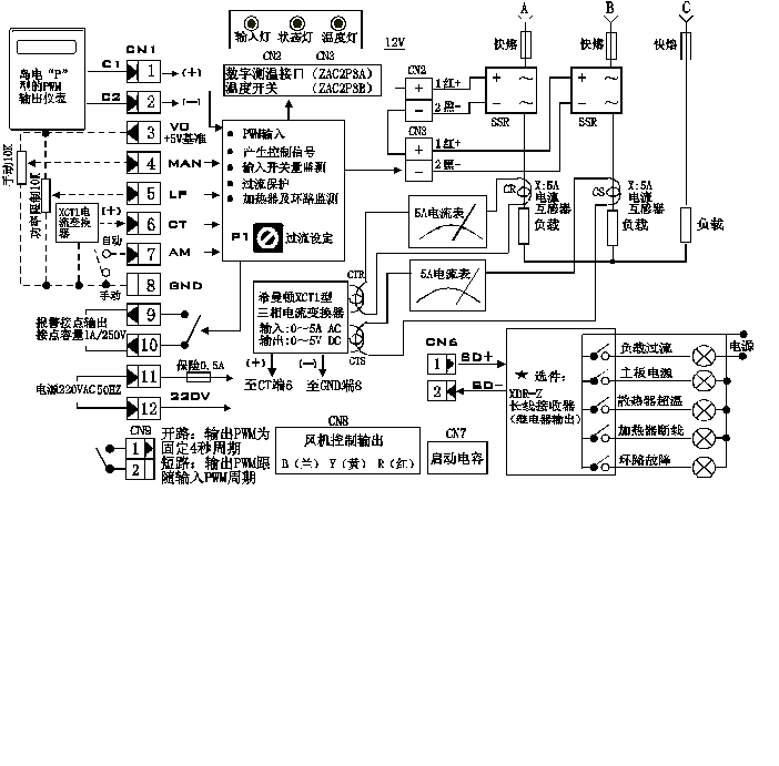
三.ZAC2P3原理框图